制造业知识分享、信息发布平台-兴盛制造网 Email: 206027815@qq.com

PLC工作原理动画,都是经典!

分类: 工业机器人 浏览量: 留言数: 2119

PLC顺序控制

PLC工作原理动画,都是经典!

顺序控制的基本思路,即要将设备的动作细分为单个动作步,每个步执行一个操作。且步与步之间通过对应的转换条件连接,及步动作切换。严格按照此思路,选择合理的程序实现结构,即可轻易完成顺序控制要求的功能。

PLC正反转控制

PLC工作原理动画,都是经典!

按钮开关

PLC工作原理动画,都是经典!

冲孔加工

PLC工作原理动画,都是经典!

断电延时型时间继电器

PLC工作原理动画,都是经典!

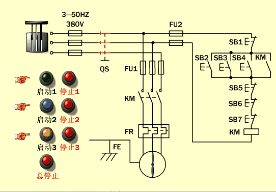
多点控制

PLC工作原理动画,都是经典!

滚轮式行程开关

PLC工作原理动画,都是经典!

红绿灯

PLC工作原理动画,都是经典!

机械手

PLC工作原理动画,都是经典!

交流接触器

PLC工作原理动画,都是经典!

热继电器

PLC工作原理动画,都是经典!

热继电器是用于防止线路或电气设备长时间过载的低压保护电器。它特别适用于电动机的过载保护,因为电动机在实际运行中,常会遇到过载情况,但只要过载不严重、时间短,绕组不超过允许的温升,这种过载是允许的。

但如果过载情况严重、时间长,则会加速电动机绝缘的老化,缩短电动机的使用年限,甚至烧毁电动机,因此,常用热继电器对电动机进行过载保护。有的热继电器还可以作为电动机的断相保护及短路保护。

三相闸刀

PLC工作原理动画,都是经典!

时间继电器

PLC工作原理动画,都是经典!

时间继电器是一种当加入或去除输入动作信号后,输出电路要经规定准确时间才产生动作的继电器,应用于低电流电路中,用以接通或切断高电压、大电流电路。时间继电器也是一种利用电磁原理或机械原理来实现延时控制的电器,包含空气阻尼型、电动型、电子型等多种类型。

手动控制

PLC工作原理动画,都是经典!

速度继电器

PLC工作原理动画,都是经典!

速度继电器又称反接制动继电器,是一种当转速达到规定值时而产生动作的继电器。速度继电器在使用时通常与电动机的转轴连接在一起。

作用:根据速度的大小通断电路,常与接触器配合用于电动机反接制动线路中。

结构:常见的感应式速度继电器是根据电磁感应原理制成的定子、转子和触头,与异步电动机类似。

使用:应将速度继电器的转子与被控电动机同轴连接,而将其触点(一般用常开触点)串联在控制电路中,通过控制接触器来实现反接制动。

星三角启动

PLC工作原理动画,都是经典!

该线路由三个接触器、一个热继电器、一个时间继电器和两个按钮组成。时间继电器KT作控制星形降压启动时间和完成星三角自动切换用,其他电器的作用和上个线路中相同。

异步电动机转动原理

PLC工作原理动画,都是经典!

异步电动机又称“感应电动机”,即转子置于旋转磁场中,在旋转磁场的作用下,获得一个转动力矩,因而转子转动。

通过定子产生的旋转磁场与转子绕组的相对运动,转子绕组切割磁感线产生感应电动势,从而使转子绕组中产生感应电流。转子绕组中的感应电流与磁场作用,产生电磁转矩,使转子旋转。

当转子转速逐渐接近同步转速时,感应电流逐渐减小,所产生的电磁转矩也相应减小,当异步电动机工作在电动机状态时,转子转速小于同步转速。

自动往返控制

PLC工作原理动画,都是经典!

本文地址: https://www.xsyiq.com/2119.html
网站内容如侵犯了您的权益,请联系我们删除。

标签: 上一篇: 下一篇: